Papan Arduino UNO merupakan sebuah development kits yang biasa menjadi pilihan para pereka elektronik.
Rajah 1(a): Papan Arduino UNO
Sumber: https://store.arduino.cc/usa/arduino-uno-rev3
Papan Arduino UNO adalah seperti Rajah 1 (a) di atas, kit ini sebenarnya terdiri daripada gabungan beberapa litar iaitu:
- Litar pengatur voltage (Voltage Regulator)
- Litar asas ATMega328 dengan XTAL = 16MHz
- Litar USB-to-UART converter
- Litar manual RESET
- Litar auto RESET
- Litar indicator TX & RX
- Litar indicator 5V
- Litar VCC selector
- Terminal SPI/ICSP
- Terminal I2C
- Terminal Input / Output
seperti yang ditunjukkan dalam Rajah 1(b) di bawah:
Rajah 1(b): litar skematik Arduino UNO R3
Sumber: http://www.electronoobs.com/eng_arduino_tut31_sch2.php
Pembangunan litar berasaskan ATMega328 yang compatible dengan Arduino UNO sebenarnya boleh diringkaskan lagi, dimana beberapa litar di Rajah 1(b) boleh diubahsuai dan digugurkan. Hanya litar asas, litar auto reset berserta litar USB-to-UART converter sahaja pun sudah mencukupi bagi membolehkan litar ini berfungsi.
Perlu diingatkan bahasa mesin (file .hex) yang terjana daripada Arduino IDE akan dimasukkan ke ATMega328 melalui Serial Communication (pin RX & pin TX). Oleh itu, sambungan antara modul USB-to-UART converter dan ATMega328 haruslah seperti dalam Jadual 1 di bawah:
Jadual 1: Sambungan UC00C - ATMega328
Dimana pin 2 dan pin 3 masing-masing adalah Digital pin 0 (RX) dan Digital pin 1 (TX) pada Arduino UNO. Rajah 2 di bawah menunjukkan pinout bagi ATMega328 melawan pin pada Arduino UNO.
- Litar asas ATMega328 dengan XTAL = 16MHz
- Litar auto RESET
- Terminal USB-to-UART converter
- Terminal Input / Output
- Terminal bekalan kuasa (VCC dan GND).
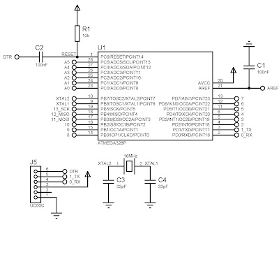
Oleh itu, litarnya boleh dibangunkan semula seperti yang ditunjukkan dalam Rajah 3. Litar ini adalah teringkas, dimana peranti USB-to-UART converter boleh disambungkan ke litar melalui terminal J5. Bagi tujuan itu, penulis mencadangkan peranti UC00C digunakan sebagai USB-to-UART converter.
Rajah 3: Litar asas ATMega328 compatible Arduino UNO
Berikut merupakan senarai komponen elektronik yang diperlukan membangunkan litar seperti pada Rajah 3 di atas:
- U1 - IC ATMega328 DIP28 (telah dimasukkan dengan firmware Serial Bootloader)
- C1, C2 - Capacitor Ceramic 0.1uF
- C3, C4 - Capacitor Ceramic 30pF
- X1 - Crystal Oscillator 16MHz
- J5 - 6x1 Right Angle Male Pin Header
- UC00C + USB cable type micro
- IC socket 28pin
Sekali lagi diingatkan bahawa litar pada Rajah 3 adalah asas sahaja. Jika anda ingin membuat aplikasi, sememangnya anda perlukan sambungan ke pin masuk / keluaran. Oleh itu, pin-pin masuk/keluar boleh disambung keluar ke terminal seperti Rajah 4 di bawah.
Rajah 4: Litar ATMega328 compatible Arduino UNO
Kesimpulan, litar ATMega328 compatible Arduino UNO boleh dibangunkan sendiri.













